CVC烙鐵頭將相對應匹配MX-500,MX-5000,MX-5200和CV-5200以及CV-500焊接系統中的RM3E, MX-RM6E, MX-H1-AV, MX-H7-SF-CV-H1-AV以及CV-H7-AV手柄.
STTC 烙鐵頭相對應匹配MX-500, MX-5000 以及 MX-5200 焊接系統中 MX-RM3E, MX- RM6E, MX-H1-AV和MX-H7-SF 手柄.(Note:STTC / SMTC烙鐵頭不能使用于CV-5200系列機器。)

烙鐵頭 & 加熱體系列
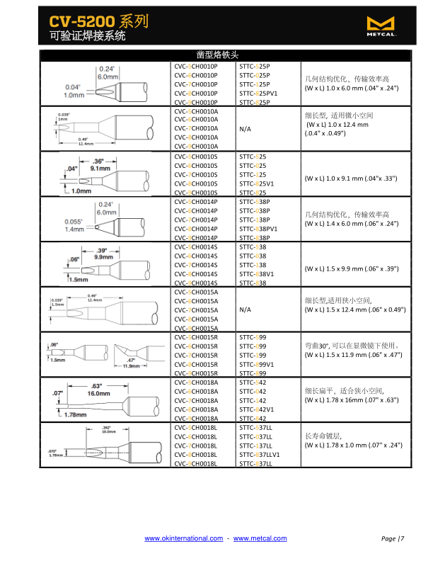
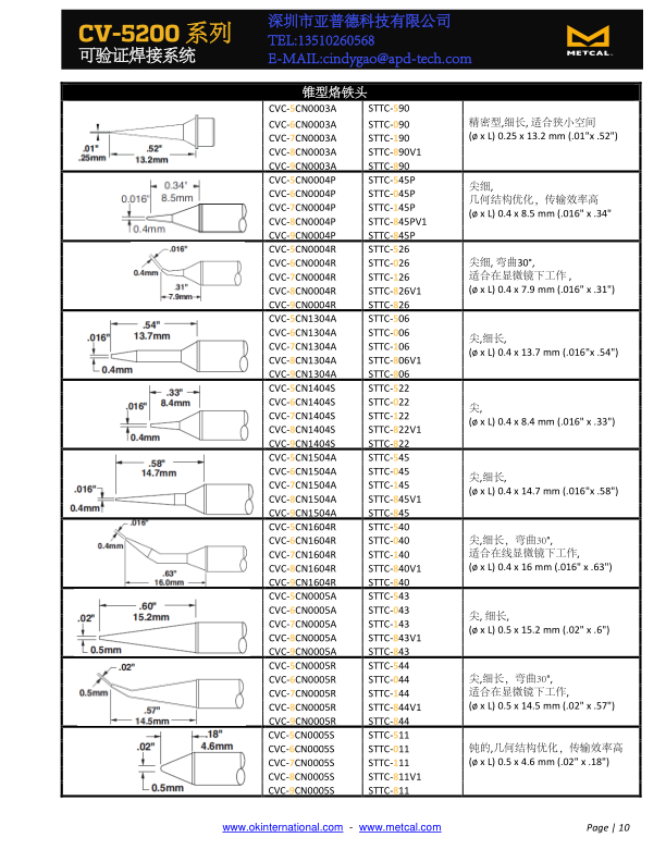
烙鐵頭系列
? CVC – 可驗證焊接效果烙鐵頭, 具有驗證焊接效果功能
? SMC – 表面貼裝烙鐵頭
? 新的烙鐵頭系列即將推出
加熱體系列 – 由烙鐵頭型號中的 x 確定.
? 5-500 系列加熱體
? 6-600 系列加熱體
? 7-700 系列加熱體
? 8-800 系列加熱體
? 9-900 系列加熱體




